
Erreichen Sie hohe Präzision beim Auf- und Abwickeln bei gleichzeitiger Energieeinsparung.
Um die Prozesssicherheit, Qualität und Effizienz zu verbessern und gleichzeitig die Betriebskosten zu senken, nutzen Sie die Drehzahlregelung für Auf- und Abwickelmaschinen in der Papier-, Stahl-, Chemie- und Textilherstellung. Eine Nachrüstung des Frequenzumrichters kann dank einer verbesserten Steuerungsleistung zusätzlich höhere Auf- und Abwickelgeschwindigkeiten ohne Prozessunterbrechungen ermöglichen.
Für eine extrem exakte Wicklersteuerung in einem weiten Drehzahlbereich liefern die Danfoss-Frequenzumrichter genau den richtigen Drehmomentbereich und die richtige Auflösung. Mit Frequenzumrichtern erreichen Sie somit eine hohe Wickelpräzision und sparen gleichzeitig Energie.
Besondere Energiesparvorteile bietet ein Danfoss-Frequenzumrichter, wenn die Auf- oder Abwickelmaschine mit konstanten Bremszyklen arbeitet. Beim Bremsen gibt die Auf-/Abwickelmaschine viel Energie an den Zwischenkreis des Antriebs ab. Normalerweise führen Bremswiderstände diese Energie ab. Danfoss-Frequenzumrichter können jedoch erhebliche Energieeinsparungen ermöglichen, indem sie überschüssige Energie aus dem Zwischenkreis ins Netz zurückführen oder die Energie über den gemeinsamen Zwischenkreis an den Wicklerantrieb übertragen.
Zu den Vorteilen der Danfoss-Frequenzumrichtersteuerung für Auf- und Abwickleranwendungen gehören außerdem:
- höhere Qualität durch bessere Drehmomentregelung
- erhöhte Verfügbarkeit durch höhere Zuverlässigkeit
- reduzierte Wartungskosten
- Platzersparnis durch kompakte und schlanke Bauweise des Umrichterschranks
- einfache Integration, Installation und Inbetriebnahme
- gesteigerte Energieeffizienz
Produkte
-
if (isSmallPicture) {
; } else if (isBigColumns) {
} else {
}
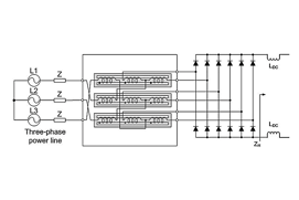
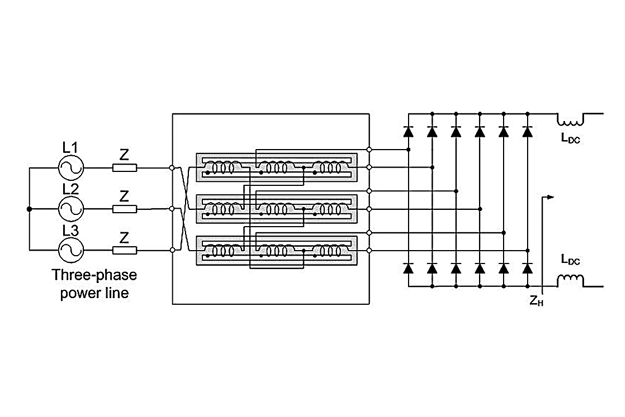
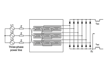
VACON® NXP Common DC BusDas Angebot der VACON® NXP DC-Bus-Frequenzumrichter umfasst eine Reihe von Active Front End, Wechselrichtern und Bremschopper-Einheiten. Es eignet sich für Prozesse, in denen ein häufiges Bremsen erforderlich und die Bremsleistung relativ hoch ist.
-
if (isSmallPicture) {
; } else if (isBigColumns) {
} else {
}
VACON® NXP Air CooledDie VACON® NXP Air Cooled Frequenzumrichter bieten Präzision und Leistungsstärke für Anwendungen, die eine robuste und dynamische Leistung erfordern. Sie sind in einem kompletten Leistungsbereich von bis zu 2 MW in Form von wandmontierten, in Schaltschränke eingebaute oder IP00-Modulen erhältlich.
-
if (isSmallPicture) {
; } else if (isBigColumns) {
} else {
}
VLT® AutomationDrive - 3D-Zeichnungen und Eplan-MakrosFür die bewährte VLT® AutomationDrive-Serie stehen eine Vielzahl von Maßzeichnungen, 3D-Zeichnungen und Eplan-Makros bereit. Darüber lässt sich der FC 302 schnell und einfach in die technische Dokumentation und die technischen Schalt- und Konstruktionspläne integrieren. Dies spart nicht nur OEM Zeit und Geld bei der Anlagenentwicklung.
-
if (isSmallPicture) {
; } else if (isBigColumns) {
} else {
}
VLT® AutomationDrive FC 301/FC 302Der VLT® Der VLT® AutomationDrive FC 301/FC 302 ist für die variable Drehzahlregelung aller Asynchronmotoren und Permanentmagnetmotoren konzipiert. Er ist in Standardversion (FC 301) sowie in einer erweiterten, hochdynamischen Version (FC 302) mit zusätzlichen Funktionen erhältlich.
Kontakt
Bitte kontaktieren Sie uns, wenn Sie weitere Informationen wünschen.











