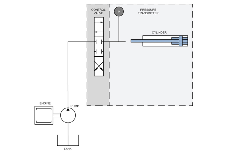
Pressure transmitters reducing risk of screener damage
Auto levelling for cutting board on combines can be controlled to avoid the board to go down in to the ground picking up soil and stones with the risk of damaging the screener. By using a pressure transmitter mounted on the cutting board levelling cylinders can this be avoided.
Typical specifications
- Pressure range: 0 – 250 bar
- Accuracy: 0.5% FS
- Response time typically < 1 mS
- Overpressure: 3 x FS
- Burst pressure: 10 – 20 x FS

Features and benefits
High burst and over pressure capabilities due to fully welded design
Resistance towards cavitation and liquid hammer
Good vibration and shock stability
Excellent EMC immunity
Zero drift due to excellent long term stability
Wetted parts of stainless steel
Wide range of electrical and pressure connections
Related products
-
if (isSmallPicture) {
; } else if (isBigColumns) {
} else {
}
MBS 1200 mobile hydraulic pressure transmitterMBS 1200 series is a dedicated pressure transmitter program for mobile hydraulic applications.
MBS 1200 is a compact pressure transmitter, and offers a reliable pressure measurement, even under harsh environmental conditions.
Contact us
For further information, please contact us.


