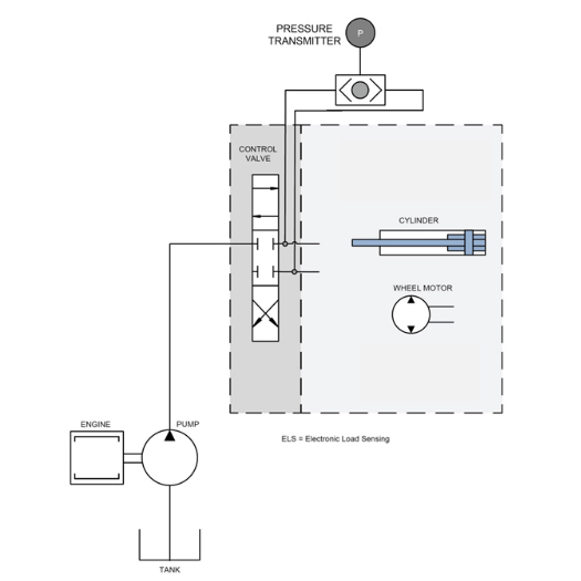
Pressure transmission ensuring fresh forage for farm animals
To ensure that the right pressure is applied when compressing and wrapping the hay bale in plastic film to create airtight sealing ensuring that no oxygen is left inside the bale. This is to guarantee a fresh forage for the animals. By using a MBS 1250 pressure transmitter this will be obtained.
Typical specifications
- Pressure range: 0 – 250 bar
- Accuracy: 0.5% FS
- Response time typically < 1 mS
- Overpressure: 3 x FS
- Burst pressure: 10 – 20 x FS

Features and benefits
High burst and over pressure capabilities due to fully welded design
Resistance towards cavitation and liquid hammer
Good vibration and shock stability
Excellent EMC immunity
Zero drift due to excellent long term stability ensuring safety of the machine
Wetted parts of stainless steel
Wide range of electrical and pressure connections
Related products
-
if (isSmallPicture) {
; } else if (isBigColumns) {
} else {
}
MBS 1200 mobile hydraulic pressure transmitterMBS 1200 series is a dedicated pressure transmitter program for mobile hydraulic applications.
MBS 1200 is a compact pressure transmitter, and offers a reliable pressure measurement, even under harsh environmental conditions.
Contact us
For further information, please contact us.


