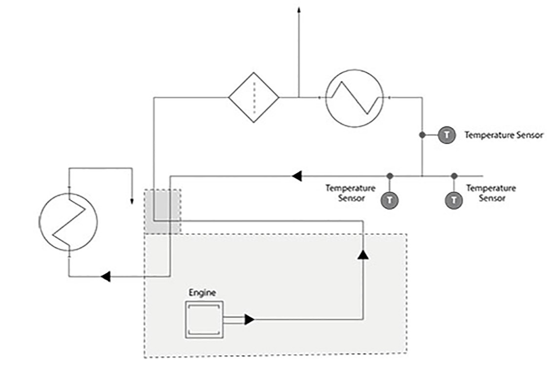
Recirculation of exhaust gas
New engine designs typically use Exhaust Gas Recirculation (EGR) to control NOx emissions. This is done by recirculating exhaust gases back into the combustion chamber to be burned a second time and thereby reduce emission in order to full fill the demands in the Tier IV regulations. Mixing the intake air with exhaust gas in order to cool down the combustion process by several hundred degrees requires accurate temperature measuring of the media.
Typical specifications
- Temperature range -50 – 300 °C
- Sensitive element NTC or PTC
- Reaction time in water 1.5 sec

Features and benefits
Fast reaction time to temperature changes
Wetted parts stainless steel
Wide temperature range
Good vibration and shock stability
Wide range of electrical and process connections and insertion lengths
Common temperature sensitive elements, PT100, PT1000, NTC and PTC
Related products
-
if (isSmallPicture) {
; } else if (isBigColumns) {
} else {
}
Flexible temperature sensor, MBT 3270The flexible temperature sensor MBT 3270 can be used in many industrial and cooling applications such as: air compressors, hydraulics as well as cooling systems. In other words, applications where robustness, size, and performance matters.
Contact us
For further information, please contact us.


