• My Apps
    My Apps You will have the option to use My apps once you login.

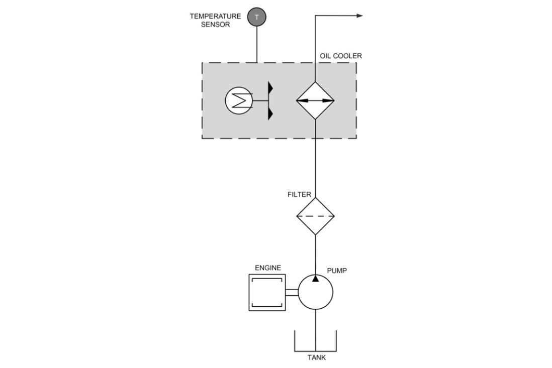
Hydraulic cooling system

Increasing mobile machinery efficiency

Hydraulic systems in mobile machinery transform and transmit energy. During this process mechanical and hydraulic energy is lost and converted into heat. It is extremely important to cool down the hydraulic system in this process. To control the hydraulic oil temperature a MBT 3270 temperature sensor is mounted in the hydraulic fane drive system, ensuring reduction in downtime and decreasing wear and tear.

 

Typical specifications

  • Temperature range -50 – 150 °C
  • Sensitive element NTC or PTC
  • Reaction time in water 6 sec.

Features and benefits

Fast reaction time to temperature changes

Wetted parts stainless steel or Brass suitable for most media

Wide temperature range

Good vibration and shock stability

Wide range of electrical and process connections and insertion length

Common temperature sensitive elements, PT100, PT1000, NTC and PTC

Can also be used in high pressure hydraulic and transmission systems

Related products

Contact us

For further information, please contact us.