Increased operator productivity
Today’s off-highway engines work hard to meet output needs. With more stringent emissions regulations, meeting these needs becomes increasingly challenging. As engine compartments become smaller and more emission components are required, an intelligent thermal management solution is a must. Danfoss is here to help.
With our complete fan drive solutions, Danfoss can help you maximize available engine power, decrease fuel costs and increase operator productivity.
We do this by helping you create the most efficient fan drive system for your machines. New engines are bigger and running hotter so there’s a greater need for cooling. This is not only due to increased heat rejection, but also to control the temperatures in the engine. This is to meet both the emissions limits and fuel consumption requirements. On top of that, designers are facing lower engine efficiency.
Based on your unique cooling needs, Danfoss can work with you. Helping to design several different open-circuit and closed-circuit fan drive systems solving these challenges. All Danfoss configurations also involve the use of PLUS+1® microcontrollers for precise and efficient control.
Related products
-
if (isSmallPicture) {
; } else if (isBigColumns) {
} else {
}
Digital Displacement® pumpsOur Digital Displacement® pump technology is a fundamental innovation. It utilizes a radial piston machine which enables cylinders in real time, using ultra-fast mechatronic valves controlled by an embedded, intelligent computer. This makes our pump highly controllable and extremely efficient. The result is lower energy losses, increased productivity, and faster response time.
-
if (isSmallPicture) {
; } else if (isBigColumns) {
} else {
}
Mobile open-circuit piston pumpsVariable open circuit piston pumps are needed whenever it’s time for your machine to do work. With a broad range of displacements (25-260cc) and pressure ratings up to 350bar, Danfoss makes powering cylinders, motors, and cooling systems easy. We support all applications in the construction, agriculture, industrial, marine, and oil and gas industries.
-
if (isSmallPicture) {
; } else if (isBigColumns) {
} else {
}
Mobile fixed displacement axial piston motorsDanfoss fixed displacement motors are designed for us in numerous applications in mobile equipment. Product lines include MP1, Series 1, Series 40, Series 90, H1F and Series 741 and 743.
-
if (isSmallPicture) {
; } else if (isBigColumns) {
} else {
}
Mobile piston motorsDesigned for intelligent vehicle management systems, our range brings you closer to your goals for reduced fuel consumption and high operator comfort. Our motors fit low, medium and high-power applications, including single and dual path propulsion drives and closed loop auxiliary transmissions.
-
if (isSmallPicture) {
; } else if (isBigColumns) {
} else {
}
Gear motorsWe engineer, manufacture and supply gear motors of superior quality. We work closely with our customers around the world, combining long-standing tradition and relentless innovation, to deliver optimal gear products and solutions.
Related applications
-
if (isSmallPicture) {
; } else if (isBigColumns) {
} else {
}
Wheel loadersWork with us on new power solutions and experience wheel loader design in a new uplifted way.
Related solutions
-
if (isSmallPicture) {
; } else if (isBigColumns) {
} else {
}
Closed circuit pump w/ gear motor (reversibleDanfoss offers a wide range of efficient fan drive systems. Explore more about the benefits and the critical considerations you need to consider as you determine the right system for your specific needs.
-
if (isSmallPicture) {
; } else if (isBigColumns) {
} else {
}
Closed circuit pump w/ piston motor (reversible)Danfoss offers a groundbreaking fan drive technologies, such as the closed circuit pump w/ piston motor (reversible).
-
if (isSmallPicture) {
; } else if (isBigColumns) {
} else {
}
Open circuit pump w/ piston motorDanfoss continues to lead the industry with groundbreaking fan drive technologies like our reverse displacement motor (RDM).
-
if (isSmallPicture) {
; } else if (isBigColumns) {
} else {
}
Variable displacement open circuit pump w/ gear motor (non reversing)Danfoss offers a wide range of efficient fan drive systems.
-
if (isSmallPicture) {
; } else if (isBigColumns) {
} else {
}
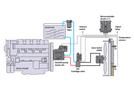
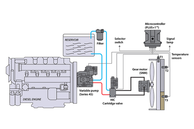
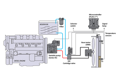
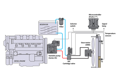
Variable displacement open circuit pump w/ gear motor (reversing HIC)Danfoss offers a groundbreaking fan drive technologies, such as the variable displacement open circuit pump w/ gear motor (reversing HIC).
-
if (isSmallPicture) {
; } else if (isBigColumns) {
} else {
}
Variable displacement open circuit pump w/ piston motor (non reversing)Danfoss offers a wide range of efficient fan drive systems based on your unique cooling needs. we can work with you to design a number of different open circuit and closed circuit fan drive systems. Helping to solve your challenges.
Contact us
For further information, please contact us.





































