Improved safety for hot gas injection
The ICSH Dual Position Solenoid Valve is designed for gradual and safe opening of the hot gas flow to the evaporator, featuring an extra-safety-configuration to prevent hydraulic shocks in the system.
Read more in the flyer

Documents
Software
Coolselector®2: We did complex — you do awesome
Coolselector®2 features unbiased calculations for the selection of refrigeration and air conditioning components based on the user’s requirements or based on standard operating conditions.
Coolselector®2

Tools and apps
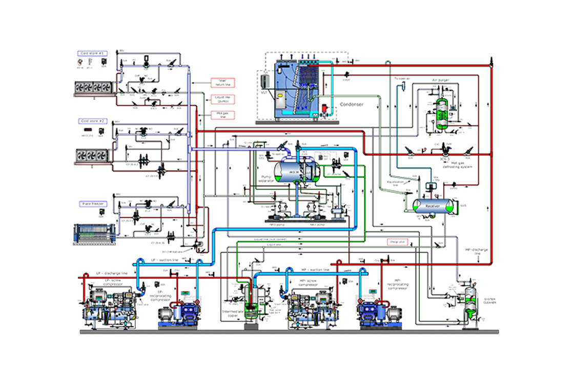
Industrial refrigeration tool
The industrial refrigeration application tool has been updated to include the most recently launched products. If you are already using the interactive tool the updated version is now ready for download.
Get the tool




