Application tool for industrial refrigeration
The Industrial Refrigeration Application Tool has been updated to include the most recently launched products. If you are already using the interactive tool the updated version is now ready for download on the below link.
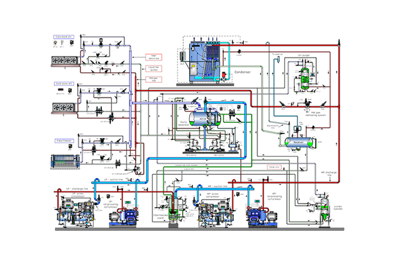
For new users the interactive tool is an interactive PowerPoint slideshow that takes you through all details of a two stage ammonia plant. The tool features “zoom-in and expand” navigation with detailed information tailor-made for you.
The concept of the slideshow is a complete info graphics of the ammonia plant. Please “click” on the selected areas of the plant to get detailed information on specific areas. The detailed drawing shows you which valves and piping are needed for the specific area. By “clicking” on the valve type designations, you will get detailed cut-away drawings and explanations of that specific valve.
The interactive slideshow also provides you with useful links to technical literature, product animations and videos. And it is easy to navigate back to start or the previous information.
NB: The “Industrial Refrigeration Application Tool” is designed in PowerPoint, enabling you to open it in edit mode. In edit mode you have the possibility to copy the individual products slides into your own presentation.

Get the tool
Download the latest version of the Industrial Refrigeration application tool via the link below.
Updated version: Version 08, 2021-02-26
Who can benefit from the industrial refrigeration application tool?
The tool is useful to anyone working within Industrial Refrigeration but especially those who might be new to Industrial Refrigeration or might still not feel 100% familiar with the details of a two stage ammonia plant.
Training others in industrial refrigeration?
If you are training others in Industrial Refrigeration this tool might also be a very good an illustrative tool for you to use in your presentations and training.
Features and benefits
A clear and well-arranged visual impression of how a two stage ammonia plant works
An easy overview of the elements in a two stage ammonia plant
Easy access to detailed information on piping and valves needed in the individual areas of the plant such as: Cold store, Plate freezer, Screw compressor with oil separator, Reciprocating compressor, Pump separator and many more areas
Detailed illustrations on the specific Danfoss valves via cut-away drawings pointing out the individual elements of the valve. Some valves also have animations to show you the working principal of the valve
It gives you easy access to further product information in the technical literature
All in all it breaks a two stage ammonia plant into easy understandable elements
Downloads
Industrial refrigeration application tool
How it works
- Download and store the above zip file on your PC
- Unzip the file on your PC
- Open the PowerPoint file named "START_TWO STAGE AMMONIA PLANT" from the folder you have just unzipped
- In Microsoft PowerPoint choose slide show mode
- Press 'Enter' or 'Page Down' to move from the 'Opening' slide to the 'Plant Overview' slide (home page)
- Position the mouse pointer around the plant overview slide and whenever the pointer changes to hand symbol clicking the mouse will access an enlarged picture of that specific part of the plant
- "Clicking" the type designation (not the drawing) for the individual Danfoss IR valves will access a cut-away drawing of the specific IR valve. Using the 'Actions Buttons' where available in the bottom left hand corner of the slide will provide links to additional supporting information e.g. technical literature, product animations, videos, etc. or navigate back to the previous slide or "home page"
Contact us
For further information, please contact us.