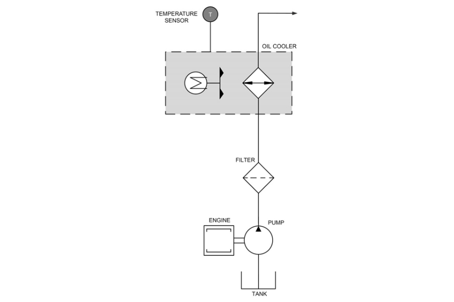
Układy hydrauliczne przekształcają i przekazują energię. Podczas tego procesu energia mechaniczna i hydrauliczna zamienia się na ciepło. W celu regulacji temperatury w zbiorniku, do głównego sterownika można podłączyć czujnik temperatury MBT 3270, który zapewnia utrzymanie optymalnej temperatury. Dzięki temu można ograniczyć przestoje i zmniejszyć zużycie.
Szybki czas reakcji na zmiany temperatury
Części zwilżane wykonane ze stali nierdzewnej lub mosiądzu odpowiedniego dla większości mediów
Szeroki zakres temperatury medium
Odporność na drgania i uderzenia
Duża różnorodność przyłączy elektrycznych i serwisowych oraz szeroki zakres długości wkładu
Powszechnie stosowane elementy pomiarowe Pt 100, Pt 1000, NTC i PTC
Możliwość stosowania również w wysokociśnieniowych układach hydraulicznych i przekładniach
Czujniki temperatury MBT 3270 przeznaczone są do wielu zastosowań przemysłowych, takich jak sprężarki powietrza, hydraulika mobilna, pomiar temperatury w silnikach okrętowych i lądowych. Czujniki MBT 3270 stosowane są w aplikacjach, w których kluczowymi parametrami są wytrzymałość, wydajność oraz krótkie czasy reakcji.
Aby uzyskać więcej informacji, prosimy o kontakt z nami.