W celu maksymalnego wykorzystania sprawności energetycznej kotła a jednocześnie zapewnieniu jego jak najdłuższej żywotności zaleca się aby temperatura wody wchodzącej była nie niższa niż zalecana przez producenta kotła
Szczególnie w układach o dużej pojemności cieplnej istotne jest utrzymanie temperatury wody powracającej do kotła na poziomie przewyższającym wartość nastawy minimalnej. Zbyt chłodna woda powoduje kondensacje pary wodnej i sprzyja korozji kotła.
Elektrozawór zabezpieczający przed korozją kotła
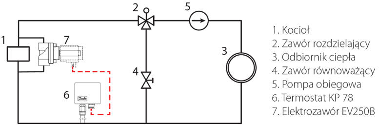
W instalacji grzewczej, której schemat znajduje się poniżej, ciepła woda podgrzewana jest przez kocioł (1) a następnie poprzez trójdrożny zawór rozdzielający (2) oraz pompę (5) kierowana jest do odbiorników ciepła (3) (np. do grzejników, układu ogrzewania podłogowego itp.). Zadaniem zaworu równoważącego (4) jest wyrównywanie ciśnień w poszczególnych odcinkach układu. Jeżeli temperatura wody powracającej do kotła jest zbyt niska, regulator otwiera zawór trójdrożny zmniejszając ilość wody przepływającej przez odbiornik, aby zmniejszyć schłodzenie czynnika. Jednak zanim działanie takie przyniesie oczekiwany efekt szczególnie w rozległych instalacjach mija zbyt dużo czasu i kocioł narażony jest na wystąpienie korozji.
Jednym z rozwiązań zabezpieczenia kotła jest zastosowanie dodatkowego układu składającego się z termostatu (6) i zaworu elektromagnetycznego (7). Jeżeli temperatura wody spadnie poniżej nastawionej wartości (określonej przez producenta kotła) nastąpi otwarcie przepływu przez zawór elektromagnetyczny. Ciepła woda wychodząca z kotła częściowo zostanie podana na wejście kotła mieszając się z wodą ochłodzoną z odbiornika ciepła – w rezultacie kocioł będzie zasilany wodą o optymalnej temperaturze.
Schemat instalacji

Kompletny zawór elektromagnetyczny składa się z dwóch elementów: korpusu, dobranego w zależności od wielkości potrzebnego przyłącza lub przepływu (tabela 1) oraz cewki z wtykiem, dobranej do napięcia zasilania (tabela 2).